- Dapatkan link
- X
- Aplikasi Lainnya
[18+] Electric Radiator Fan Wiring Diagram, Mustang V8 Electric Fan And Shroud Kit (1964-1966) Installation
- Dapatkan link
- X
- Aplikasi Lainnya
Electric Radiator Fan Wiring Diagram 12+ Kenworth Engine Fan Wiring Diagram
Doityourself wiring. Dual fan wiring diagram. Hayden fan electric control switch speed anywhere release
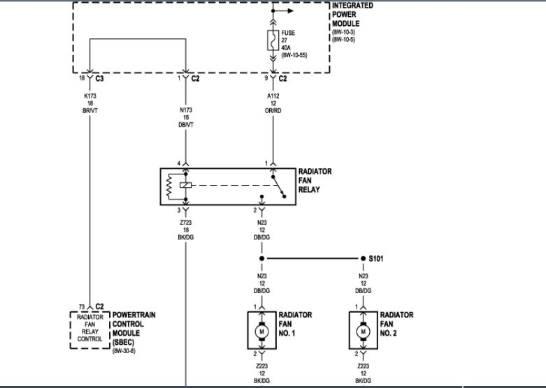
electric radiator fan wiring diagram
Download PDF
Simplest way to wire 2 electric radiator fans and a question about the

12+ kenworth engine fan wiring diagram. Fans harness fan relay chevy oem gmc 2001 yukon tahoe gm wire performancetrucks forums z71 installing installed install fs pack. Wiring shroud chevy spal robertshaw motorhome. Simplest way to wire 2 electric radiator fans and a question about the
www.acpartsguys.com - ELECTRIC FAN CONTROL SWITCHES
- Dapatkan link
- X
- Aplikasi Lainnya









Komentar
Posting Komentar